机组并网后励磁装置灭磁柜电阻元件烧损案例分享
2023-05-23 乐鱼体育在线注册,乐鱼体育(中国)
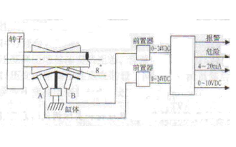
汽轮机胀差、轴位如何定零位?
2023-05-22 乐鱼体育在线注册,乐鱼体育(中国)
智能变电站继电保护技术规范知识分享
智能变电站保护检验测试及现场调试知识分享
超声波传感器应用行业和领域案例分享
2023-05-19 乐鱼体育在线注册,乐鱼体育(中国)
为什么压力变送器用久的压力精度会漂移?
变频器进灰尘为什么会坏?
电磁仓壁振动器如何轻松保养呢?
2023-05-18 乐鱼体育在线注册,乐鱼体育(中国)