揭秘锅炉防磨防爆检查机器人,到底有多强?
2023-09-28 乐鱼体育在线注册,乐鱼体育(中国)
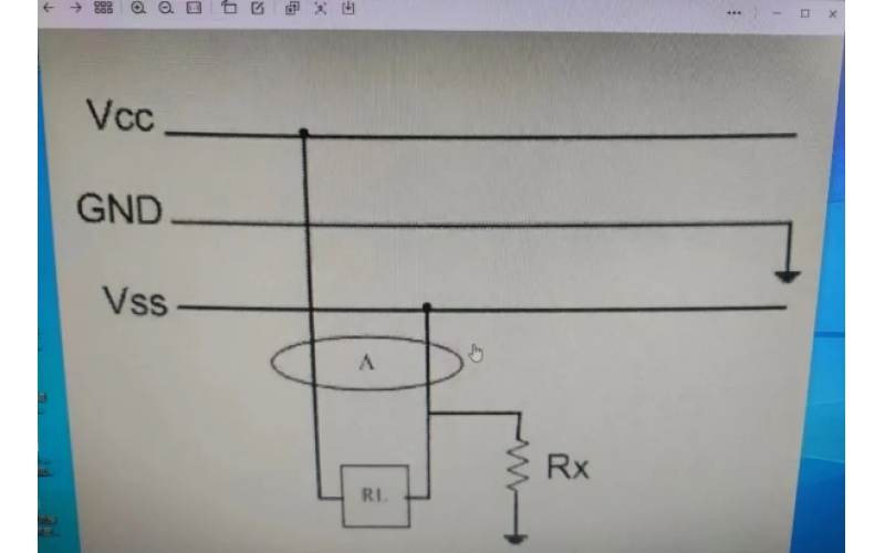
便携式直流接地故障点查找仪工作原理
干熄焦锅炉运行经验总结
2023-09-27 乐鱼体育在线注册,乐鱼体育(中国)
调节阀阀门在40%关不下去
管式空预器防腐“这办法太牛了
锅炉汽包电接点水位计知识介绍
2023-09-26 乐鱼体育在线注册,乐鱼体育(中国)
二次交流回路知识及相关注意事项
旁路作业分流异常分析