新闻动态

  • 轧线电动阀门的接线原理

    轧线电动阀门的接线原理

    2022-05-07 乐鱼体育在线注册,乐鱼体育(中国)阀门

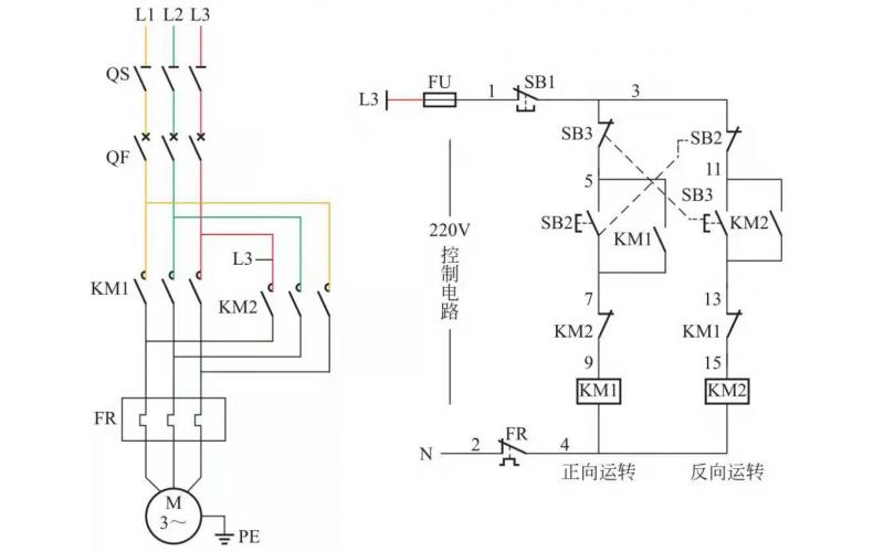
  • 电机双重联锁正反转控制知识分享

    电机双重联锁正反转控制知识分享

    2022-04-28 乐鱼体育在线注册,乐鱼体育(中国)电气

  • 接触器互锁正反转电路知识

    合上控制回路熔断器FU,电路具备启停条件。电动机主回路中增加了过载保护(热继电器FR)。电动机过载时,热继电器FR动作,FR的动断触点断开,接触器KM断电释放,KM的三个主触点同时断开,电动机断电停止运转。

    2022-04-16 kwzk乐鱼体育在线注册,乐鱼体育(中国)自控

  • 风机变频器类故障典型案例分析

    20号风机报电网掉电,检修班组开具工作票后前往20号风机现场。

    2022-04-16 kwzk乐鱼体育在线注册,乐鱼体育(中国)自控

  • 电动机及用电设备线路的维护知识

    为保证安全可靠、优质和经济合理的用电,做好用电设备的维护,故障处理及检修是十分重要的。着重介绍电动机和配电线路的检修与维护。

    2022-04-13 乐鱼体育在线注册,乐鱼体育(中国)

  • 电动执行器常见维修问题?怎么检查电动执行器故障问题?

    我们的服务工程师报告说:表现为执行器问题的东西实际上可能是阀门问题。当阀门是导致问题的原因时,修理执行器没有任何好处。相反,它浪费了时间和金钱,让你回到了起点。所以,在开始拆解执行器之前,首先将装置切换为手动操控状态,然后查看是否可以手动操作阀门(这仅适用于电动执行器)。如果阀门仍然不动,那么问题很可能是阀门。如果阀门确实在手动模式下运行,则可能存在执行器问题。

    2022-03-17 乐鱼体育在线注册,乐鱼体育(中国)

上一页123456下一页 转至第
首页
产品
新闻
联系