KKF-200浮子式钢带液位计的故障分析
2022-09-23 乐鱼体育在线注册,乐鱼体育(中国)
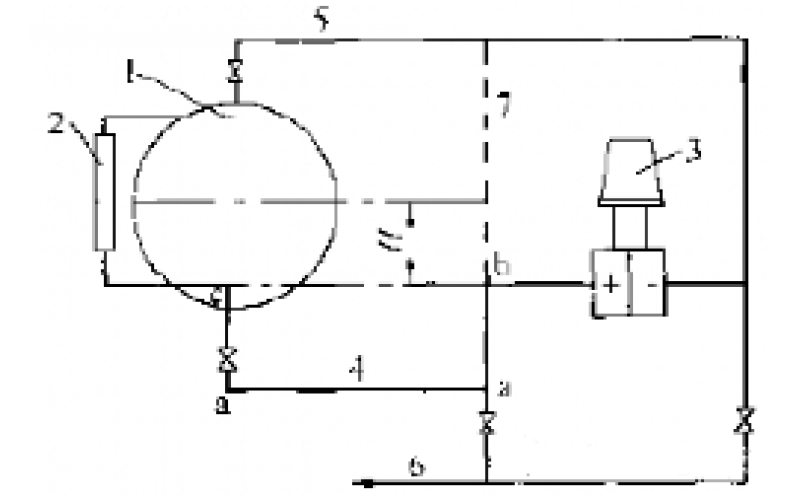
WAX-C320差压变送器在强腐蚀系统中的应用
WAX-C320差压变送器液面测量的管路改装分享
2022-09-22 乐鱼体育在线注册,乐鱼体育(中国)
氨水液位计指示偏差的校正方法分享
KWZK液位控制系统的改造分享
合成氨装置KW1101E液位仪表测量问题处理分享
汽包液位变送器突然无指示及浮筒液位计故障处理分享
2022-09-21 乐鱼体育在线注册,乐鱼体育(中国)
WAX-C320系列差压液位计负相灌液的处理